- 集团网站
- 选择区域/语言
登录
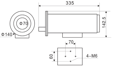
型号 |
IPC-FB8510-F |
内腔尺寸 |
228(L)*70(W)*70(H)mm |
外形尺寸 |
335(L)*Ø140(W)*142.5(H)mm |
材料 |
外壳304+防腐塑或者316L |
防护等级 |
IP66 |
安装方式 |
壁装或吊装 |
供电方式 |
DC12V |
重量 |
4.2Kg |
